La suppression de la référence de tension et son remplacement par une source de courant apporte un gain important de possibilités, performances et facilité d’utilisation. Plusieurs LT3080 peuvent être mis directement en parallèle pour des courants de sortie plus élevés, tout en répartissant la chaleur dissipée et en permettant d’utiliser une carte ne comportant que des composants montés en surface.
Un nouveau circuit, le LT3092, résout les problèmes des
précédentes sources de courant à deux broches. Il a une
précision initiale meilleure que 1 % et un coefficient de
température très faible. Les courants de sortie peuvent
être réglés de 0,5 mA à 200 mA, et la régulation de courant
typique est de 10 ppm par volt. Ceci donne une
impédance de 100 Mégohms à 1 mA ou de 1 Mégohm
à 100 mA. A l’encontre de pratiquement n’importe quel
autre circuit intégré analogique, des techniques de
conception spéciales ont été utilisées pour obtenir un
fonctionnement stable sans condensateur bypass d’alimentation,
permettant au LT3092 de présenter une impédance
élevée en courant alternatif tout comme en
courant continu. Les temps de transition et de démarrage
sont d’environ 20 μs.
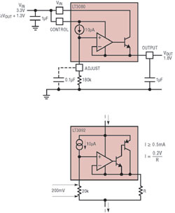
La figure 1 montre le régulateur de tension LT3080 et le régulateur de courant LT3092 de nouvelle architecture. Ces deux nouveaux régulateurs sont fabriqués en technologie bipolaire 40 V. Ceci permet une tension d’entrée élevée ainsi qu’une faible tension de fonctionnement, parce que les transistors bipolaires deviennent conducteurs à 0,6 V.

Figure 1 Régulateur de tension LT3080 et régulateur de courant LT3092 de nouvelle architecture.
Une source de courant de précision interne 10 μA "0" TC est connectée à l’entrée non-inverseuse d’un amplificateur opérationnel de puissance. L’amplificateur opérationnel de puissance fournit une sortie bufférisée à basse impédance à la tension sur l’entrée non-inverseuse. Une résistance entre l’entrée non-inverseuse et la masse ajuste la tension ou le courant de sortie, et si cette résistance est nulle, il en résulte une sortie nulle.
On peut obtenir n’importe quelle tension de sortie de zéro jusqu’au maximum défini par l’alimentation d’entrée. Pour le régulateur de courant, une faible tension est appliquée sur une résistance extérieure, 20 kΩ dans ce cas, pour générer une tension de référence de 200 mV. Ceci impose 200 mV aux bornes d’une résistance de fixation de courant R, et le courant total est alors égal à 0,2 V divisé par R (plus 10 μA). Le régulateur de courant fonctionne d’environ 1,5 V à ses bornes jusqu’à 36 V, et la régulation de courant est extrêmement bonne, tout comme sa stabilité en température. Comme source de courant à deux broches, la charge peut être placée dans la ligne positive ou dans la ligne de masse du circuit.
Une source de courant de référence permet au circuit d’avoir des réponses en gain et en fréquence indépendantes de l’impédance sur l’entrée positive ou de l’atténuation de la rétro action. Les précédents régulateurs présentaient une variation du gain de boucle et de la bande passante lorsque la tension de sortie était ajustée. Notez que le gain de boucle est inchangé lorsque la tension de sortie ou le bypass sont ajustés. La régulation de sortie n’est pas un pourcentage de la tension de sortie mais une valeur fixe en millivolts. L’utilisation d’une vraie source de courant permet d’utiliser tout le gain de l’amplificateur buffer pour assurer la régulation et ce gain n’est pas nécessaire pour amplifier la référence afin d’obtenir une tension de sortie plus élevée.
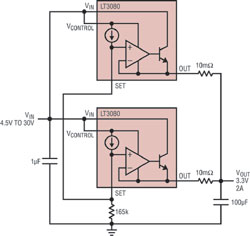
Mise en parallèle de circuits
Comme indiqué, la mise en parallèle de plusieurs circuits pour obtenir un courant de sortie plus élevé résout plusieurs problèmes. La dissipation de chaleur peut être répartie sur plusieurs régulateurs pour qu’il n’y ait pas de points chauds sur le circuit imprimé. Si un courant plus élevé que celui que peut fournir un seul régulateur est nécessaire, il est facile d’ajouter un second régulateur. L’architecture du LT3080 et du LT3092 permet la mise en parallèle directe contrairement à n’importe quel autre type de régulateur. Un ajustage interne de la puce permet de maintenir la différence de tension entre la broche de réglage et la sortie à moins de quelques millivolts. Ceci permet de mettre les régulateurs en parallèle en reliant respectivement les broches de réglage et les broches de sortie.
Un faible ballast en série avec la sortie ne dégrade que très peu la régulation et assure un partage correct du courant avec la régulation de charge inhérente au LT3080 (voir figure 2). Par exemple, une piste de cuivre de 10 milliohms garantit un partage de courant et n’ajoute que 10 millivolts de régulation de charge pour un courant de sortie de 2 ampères pour les deux circuits. Cette possibilité de partager les courants rend ce régulateur particulièrement utile pour les cartes d’alimentation où des régulateurs à découpage ne sont pas désirés. Naturellement, des sources de courant peuvent facilement être mises directement en parallèle.

Figure 2 Régulateurs de tension mis en parallèle.
Les broches de réglage et les broches d’entrées sont respectivement reliées. C’est la même chose que ce soit en mode à trois broches ou qu’on ait une alimentation VIN séparée. Les sorties sont reliées entre elles en utilisant une piste de circuit imprimé comme résistance ballast pour égaliser les courants. La résistance de la piste de circuit imprimé en milliohms par pouce est donnée dans le tableau 1. Il ne faut qu’une faible surface pour le ballast.
Poids (gramme) : 28,35 / 56,70
Largeur (0,25mm) : 54,3 / 27,1
Largeur (0,50mm) : 27,1 / 13,6
Tableau 1 Résistance de piste (Milliohms/pouce).
Réduction de la dissipation de puissance dans le LT3080
Un des objectifs de ce nouveau régulateur est de résoudre les problèmes thermiques sur une carte montée en surface en éliminant les refroidisseurs. La sortie séparée du collecteur du transistor de sortie permet de répartir la dissipation de puissance du LT3080 entre le transistor de puissance interne et une résistance externe, comme on le voit dans la figure 3. Dans cet exemple, une résistance de 2,9 ohms est en série avec le collecteur du transistor de sortie. La chute de tension dans le transistor de sortie n’est que de 300 mV, aussi, on peut avoir une chute de tension de plusieurs volts dans la résistance externe, minimisant l’échauffement dans le circuit intégré. A pleine charge, environ 3 watts sont dissipés dans la résistance externe. Pour réduire les températures crêtes sur un circuit imprimé, cette résistance peut être fractionnée en plusieurs résistances de 1 ohm réparties sur la carte, permettant de dissiper facilement la chaleur.

Figure 3 Déplacement d’une partie de la puissance vers une résistance externe pour répartir la chaleur.
La dissipation de puissance dans le LT3080 plafonne à environ 750 milliwatts quand la dissipation dans la résistance et la dissipation dans le transistor sont égales. Les plans de cuivre du circuit imprimé peuvent facilement accepter cette puissance.
Réduction de la dissipation de puissance dans le LT3092
Pour des courants ajustés à des valeurs plus élevées et des hautes tensions, il y a une dissipation de puissance considérable dans le LT3092. Par exemple, 30 volts et 100 milliampères produisent une dissipation de 3 watts, qui peut conduire à une augmentation importante de la température qui dépend de la résistance thermique du circuit imprimé. Une résistance externe peut déplacer une partie de cette puissance vers la résistance et réduire la dissipation de puissance dans le LT3092. La figure 4 montre la source de courant de base avec une résistance RX entre l’entrée et la sortie du circuit. Tant que le courant total est supérieur au courant dans RX, la régulation n’est pas altérée et l’impédance de la source de courant ne varie pas.

Figure 4 Réduction de la dissipation de puissance dans le régulateur de courant LT3092.
Le courant dans RX est dans la boucle de rétro action et est compensé parce que la tension entre l’entrée et la sortie varie. Le courant circule dans le transistor PNP interne ou dans la résistance externe tandis que la boucle de rétro action maintient le courant total constant. Pour une bonne régulation et pour assurer une marge raisonnable, le courant dans RX ne doit pas être supérieur à 90 % du courant désiré pour le circuit à la tension maximum. Les formules de l’illustration montrent comment choisir RX pour que le courant dans RX laisse toujours 10 % du courant qui passe dans le LT3092. Ceci réduit la puissance interne maximum en déplaçant une partie de la puissance vers la résistance externe. Il en résulte une réduction importante de la dissipation du composant, ainsi qu’une diminution de l’augmentation de température. L’effet de l’insertion de cette résistance externe est négligeable sur la performance du circuit.
Conclusion
Une nouvelle architecture de régulateur apporte des solutions à la répartition de la chaleur et à la régulation du courant. Ces nouveaux régulateurs sont fabriqués dans des unités de production de masse de circuits bipolaires et ont des performances supérieures aux circuits précédents. La régulation en ligne, en charge et en température est excellente et des techniques de conception exclusives permettent d’utiliser ce circuit sans condensateurs bypass même s’il y a un circuit de rétro action externe complexe.