En poursuivant votre navigation sur ce site, vous acceptez l'utilisation de cookies pour vous proposer des contenus et services adaptés à vos centres d'intérêts. En savoir plus et gérer ces paramètres. OK X
 
 

 

 

Nouveaux produits

Les oscilloscopes R&S RTM de Rohde & Schwarz

Publication: Décembre 2014

Partagez sur
 
Avec l’option History et mémoire segmentée R&S RTM-K15, l’oscilloscope universel R&S RTM permet aux utilisateurs d’analyser les séquences de signaux les plus longues dans cette catégorie d’appareils...
 

Le R&S RTM n’acquiert automatiquement que les séquences de signaux pertinentes, telles que bursts ou impulsions, et les stocke dans la mémoire segmentée. Toutes les fonctionnalités de cet oscilloscope peuvent alors être utilisées pour une analyse détaillée des signaux acquis.

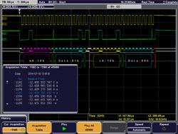
L’option History et mémoire segmentée R&S RTM-K15 élargit la profondeur mémoire maximale de l’oscilloscope universel à une valeur sans précédent de 460 Méch. par voie. La mémoire segmentée offre une profondeur variable de 10 kéch. à 20 Méch, permettant l’acquisition d’un maximum de 45 000 segments de formes d’ondes.

L’option R&S RTM-K15 est particulièrement utile en analyse de séquences de protocole et de paquets d’impulsions comprenant de longues pauses. Le R&S RTM ne déclenche que sur les données pertinentes et les pauses sont ignorées pour économiser l’espace mémoire si précieuse. La fonction d’horodatage indique clairement et précisément le moment où les signaux ont été acquis. Cette fonction permet notamment aux utilisateurs d’acquérir des paquets de données I2C pendant plusieurs minutes puis ultérieurement d’analyser en profondeur ces données.

Le mode ultra segmenté permet d’obtenir un taux d’acquisition particulièrement rapide. Le temps mort qui n’est que de 5 µs permet aux utilisateurs de déclencher et d’enregistrer les signaux apparaissant en succession rapide. Lors des séquences d’impulsion ou de protocole série, les utilisateurs sont ainsi assurés que les données ne sont pas perdues.

La configuration des paramètres, comme le mode d’acquisition et la longueur des segments, est très facile à réaliser. L’option calcule ensuite automatiquement le nombre de segments disponibles. Après acquisition du signal, les utilisateurs peuvent naviguer aisément à travers les signaux acquis grâce à la fonction History et sélectionner directement dans une table les segments individuels à afficher. La fonction History peut également être utilisée pour la lecture automatique de tous les segments. Toutes les fonctions d’analyse des oscilloscopes R&S RTM, y compris QuickMeas, tests de gabarit (masque) et mesures de curseur, peuvent être utilisées en mode History et mémoire segmentée sur chaque segment acquis.

L’option History et mémoire segmentée R&S RTM-K15 est dès à présent disponible auprès de Rohde & Schwarz.

http://www.scope-of-the-art.com/ad/...

Suivez Electronique Mag sur le Web

 

Newsletter

Inscrivez-vous a la newsletter d'Electronique Mag pour recevoir, régulièrement, des nouvelles du site par courrier électronique.

Email: