En tant que système bus pour la transmission de données, on la trouve partout où des appareils mobiles doivent être connectés. Même si la robustesse des connecteurs utilisés au quotidien est avérée, quiconque conçoit des applications USB ne doit toutefois pas négliger la protection de son interface.
Intel émet même des doutes quant à la vulnérabilité des interfaces USB dans ses « High Speed USB Platform Design Guidelines ». Intel recommande l’emploi selfs de mode commun pour le filtrage CEM et d’autres composants pour la protection contre les décharges électrostatiques. En effet, les systèmes électroniques sont soumis à des décharges électrostatiques. Les impulsions ESD ont des tensions pouvant aller jusqu’à 30 kV et représentent par conséquent un danger pour tous les types de circuits intégrés. Quelques IC actuels sont « insensibles » aux impulsions ESD, mais cette sécurité ne s’applique qu’à une très petite partie des menaces potentielles. La pratique quotidienne le montre bien : une protection supplémentaire est indispensable. Ce n’est qu’avec une protection externe que la carte peut être intégralement libérée des impulsions ESD et que l’on peut mettre au point des produits d’une très grande fiabilité. des mesures de filtrage CEM dédiées sont elles aussi essentielles. Les appareils électroniques connectés sans fil se rencontrent partout au quotidien et leur nombre ne cesse d’augmenter. Il est essentiel d’immuniser ses propres produits contre les interférences. Seuls ceux qui tiennent compte dès à présent des interférences auxquelles on peut s’attendre sont en mesure d’intégrer dès le départ les éléments de filtrage nécessaires au niveau de la conception et de réduire ainsi les durées de développement. On sait également que les émissions rayonnées des produits propres ne doivent pas non plus excéder un certain niveau. Ceci est évalué de façon très précise dans les laboratoires d’essai CEM. Quand le produit échoue à ce test, les coûts nécessaires à la révision excèdent rapidement et grandement ceux des éléments de déparasitage.
En parlant d’effet des interférences sur l’interface USB, la transmission de données symétrique possède un avantage décisif comparativement à un simple câble coaxial. Le torsadage des conducteurs a pour effet une compensation des interférences de type inductif (champ magnétique). Les interférences se compensent mutuellement de par la symétrisation des inductances partielles de chaque fil torsadé. Cette immunité aux interférences peut toutefois être compromise dans la pratique :
• Les entrées/sorties du contrôleur USB ne sont pas suffisamment symétriques, le signal USB présente des interférences en mode commun.
• La configuration n’est pas compatible HF/CEM, les capacités parasites et le manque d’adaptation de l’impédance caractéristique produisent des interférences en mode commun.
• Le Design du circuit (filtrage USB) n’est pas approprié, les filtres influent sur la qualité du signal et/ou les pertes d’insertion sont trop basses.
• La construction de l’interface (douille, boîtier) n’est pas appropriée. Une connexion à la masse insuffisante réduit l’atténuation de blindage du câble. Les filtres ont une référence à la masse faible.
• Le câble USB est asymétrique, le blindage est incorrect et la connexion à la terre insuffisante. Le câble détériore la qualité du signal, émet les harmoniques et présente une atténuation de blindage insuffisante face aux interférences extérieures.
Le problème : quelques-uns de ces points ne peuvent pas être résolus – par exemple réalisation technique d’un contrôleur USB fourni par des sous-traitants ou emploi de câbles USB bon marché chez l’utilisateur final. Des mesures préventives doivent par conséquent être prises pour protéger l’interface USB contre l’effet d’interférences extérieures susceptibles de détruire le contrôleur USB et pour restreindre les interférences de signaux via le câble.
La protection contre la décharge électrostatique se définit comme suit : protection contre les impulsions ESD conformément à EN 61000-4-2, protection contre les ondes de choc conformément à EN 61000-4-5 et protection contre les impulsions en salves (EFT) conformément à EN 61000-4-4. Les diodes de suppression de tensions transitoires (TVS - Transient-Voltage-Suppressor) doivent remplir ces fonctions. Important : pour protéger les signaux de données rapides comme l’USB contre les surtensions, il est préconisé d’utiliser des Diodes TVS et protection ESD céramiques comportant une faible capacité.
Ceci pour ne pas risquer de distorsions du signal USB. Dans ce but, Würth Elektronik eiSos a mis au point des composants optimisés et invisibles sur la ligne de données. Des diodes TVS avec des capacités inférieures à 1 pF et des protection ESD céramiques avec des capacités allant jusqu’à 0,2 pF sont un bon choix pour la protection d’interfaces USB.
Quelques questions sont nécessaires pour choisir les composants : existe-t-il une tension d’alimentation pour connexions « Rail to Rail » (GND < signal I/O < Vcc) ? Le choix doit porter sur une diode TVS. N’existe-t-il aucune tension d’alimentation ou faut-il préconiser des composants céramiques ? Dans ce cas, le choix doit porter sur une diode TVS avec laquelle la broche VDD peut ne pas avoir d’état défini (floating) ou on utilise des protections ESD comme par exemple ceux de la série WEVE « ULC » de Würth Elektronik. Autres questions : à quelle tension ESD maximale faut-il s’attendre ? Un ou deux ports USB doivent-ils être protégés ? Si les lignes de données USB sont raccordées à deux broches I/O de la diode TVS, la protection est toujours meilleure et par conséquent un réseau à diodes TVS est préférable.
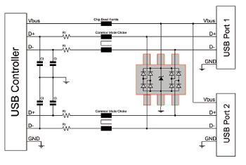
Pour obtenir un design final compatible en terme de CEM, il est important de filtrer l’alimentation en tension (VBUS). De nombreux développeurs négligent ce point et s’étonnent ensuite que leur produit échoue au test en laboratoire CEM. Deux designs optimisés pour un ou deux ports USB sont présentés ici. Deux lignes USB peuvent être protégées avec une diode TVS. Les quatre lignes de données ainsi que l’alimentation commune sont bien protégés contre les décharges électrostatiques (ESD). Une autre optimisation est l’utilisation d’un filtrage LC avec une self de mode commun et ses condensateurs pour filtrer les modes commun et différentiel à l’entrée. Un filtrage complet est obtenu avec l’utilisation d’une ferrite CMS de la série WE-CBF sur l’alimentation.

Les protections à un seul canal comme ceux de la série de protection ESD WE-VE doivent toujours relier les données à la masse. Pour protéger l’alimentation en tension, une protection ESD à faible capacité n’est pas nécessaire ; une varistances CMS normale est tout à fait suffisante. Celle-ci représente le premier choix à la conception, car elle est en mesure d’absorber de plus hautes énergies et de plus importants pics de courant.

Comme on le voit sur la figure 3, deux lignes de signaux différentiels (D+ et D) sont routées du connecteur à la diode TVS, puis vers le contrôleur USB via le self de mode commun. On obtient de cette façon une remarquable protection ESD et un bon filtrage de la paire de données. Le VBUS est routé vers la ferrite CMS via la diode TVS. En aval de la ferrite CMS, il est possible d’utiliser un condensateur supplémentaire et une autre ferrite CMS pour obtenir la meilleur atténuation possible en filtre PI.

Pour les IC ultra sensibles et/ou un développement très fiable, une protection ESD optimisée peut être obtenue en doublant les contact ESD de la diode TVS (n° de réf. 824 015).

Les développeurs préférant des protections à une voie peuvent utiliser une protection ESD de la série WE-VE. Celle-ci doit toujours être connectée au D+/D- vers le GND. Les autres composants sont connectés comme illustré ici.

Pour une conception compatible CEM, il est recommandé d’éviter les risques. En particulier pour la transmission de données via USB. La CEM est un critère de qualité, et pas seulement un phénomène dont il est « bon de disposer », ni servant à satisfaire telle ou telle norme ou réglementation. Pour pouvoir exclure de façon fiable les problèmes de compatibilité électromagnétique dès le stade de la conception, il existe des composants adaptés en fonction des conditions particulières associées aux lignes de données rapides, permettant de réduire les coûts et durées de développement et surtout de futures corrections suite à des résultats de test critiques en matière de CEM.