Une mesure et un contrôle précis du courant sont nécessaires dans les boucles d’asservissement où le niveau de courant de charge doit être connu pour permettre le contrôle de l’alimentation électrique, la commande de moteur et d’actionneur, la limitation de courant, la protection électrique, la compensation électrique et bien d’autres fonctions. Cet article explore la mesure de courant directe à l’aide d’une résistance shunt, ainsi que les solutions alternatives et les compromis au niveau de la conception. Bien que l’article se centre sur les applications d’alimentation électrique des satellites, une bonne partie de la discussion peut s’appliquer plus généralement aux autres applications de mesure de courant.
Quelle que soit la taille de l’engin spatial, les problèmes posés par le système d’alimentation électrique sont les mêmes pour les concepteurs ; le but est de maximiser les performances tout en trouvant le bon équilibre entre poids, fiabilité et efficacité, pour que les objectifs de la mission soient atteints à un coût total minimum et avec le minimum de risque pour le programme.
Poussée par une demande de capacité accrue, d’un plus grand nombre de fonctionnalités, d’une plus grande résolution et de plus d’instruments, la tendance est à l’augmentation de la complexité du système d’alimentation électrique et de la consommation électrique. Au niveau du circuit ceci se traduit par :
• Un plus grand nombre de rails d’alimentation avec des tolérances étroites au niveau de l’alimentation électrique et une organisation minutieuse de la séquence de mise sous tension pour alimenter une électronique de plus en plus compliquée, telle que celle basée sur les FPGA.
• L’utilisation de systèmes de protection plus robustes, entièrement électroniques, pour remplacer les relais et effectuer la gestion associée des bus d’alimentation redondants.
• Une plus grande priorité donnée à l’efficacité à travers l’utilisation de systèmes d’alimentation à plus haute tension, une gestion sophistiquée des batteries et un contrôle perfectionné de l’énergie.
Concevoir un système d’alimentation électrique présentant toutes ces caractéristiques nécessite de nombreux circuits de contrôle du courant à tous les niveaux de la charge utile et de nombreux circuits auxiliaires. La solution idéale associe efficacité, précision et faible encombrement. Ajoutez à cela les effets des radiations et le choix limité de composants commerciaux prêts à l’emploi (COTS) de qualité spatiale, résistants aux effets du rayonnement ou aux capacités équivalentes, et la tâche devient encore plus ardue.
La limitation de courant d’alimentation électrique sur un engin spatial
Pour protéger les alimentations électriques des défauts de courts-circuits en sortie ou d’anomalies de transitoire hors des conditions de fonctionnement en toute sécurité, un limiteur de courant à verrouillage (Latching Current Limiter ou LCL), agissant comme un fusible électronique réarmable, peut être utilisé. Les limiteurs de courant par repli (Fold-back Current Limiter ou FCL) sont plus sophistiqués et cherchent à maintenir un fonctionnement en toute sécurité de l’alimentation électrique, en établissant une limite supérieure de courant de fonctionnement pour le circuit. Les circuits classiques de protection à courant constant réduisent la tension de sortie pour réguler la puissance maximum fournie au fur et à mesure que la résistance de charge décroit.
L’inconvénient de cette approche est l’écart plus élevé entre la tension d’entrée et la tension de sortie, qui entraîne une dissipation plus élevée dans l’élément de régulation (PD = [VIN – VOUT] x IOUT).
Pour résoudre ce problème, une amélioration supplémentaire consiste à réduire le courant de sortie lorsque la tension de sortie décroit. Cela permet d’éviter une dissipation de puissance excessive en cas de défaut électrique grave et l’endommagement sous l’influence de la chaleur. D’ailleurs, certains circuits intégrés de régulation de puissance linéaire comportent un mécanisme équivalent de limitation de courant au niveau de la puce, qui empêche l’emballement thermique et la destruction éventuelle du dispositif en dehors de son domaine de fonctionnement en toute sécurité.
Les mesures de courant directes perturbent le circuit puisqu’une résistance de mesure est mise en série avec la charge pour générer une chute de tension proportionnelle au courant de charge suivant la loi d’Ohm. Le choix de la résistance de mesure est un compromis entre la puissance dissipée dans la résistance et la précision de la mesure du courant. Pour éviter de dissiper trop de puissance dans la résistance de mesure, elle doit être la plus petite possible, tout en permettant de détecter un signal de courant minimum. Le signal minimum reproduit avec précision est limité principalement par le décalage à l’entrée DC du circuit de mesure (voir courbe).
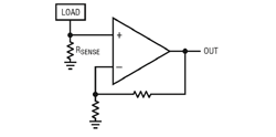
Un autre paramètre important du circuit de mesure est la tension de mode commun à l’entrée. Ceci est particulièrement important pour le contrôle de rail d’alimentation puisque le circuit de mesure doit contrôler la petite différence de tension apparaissant aux bornes de la résistance de mesure, en plus du contrôle du bus d’alimentation de mode commun. Cela est désigné comme une configuration "high-side" (ou de mesure sur le pôle positif) (voir figure 1a), la plus courante des configurations et la plus avantageuse pour la plupart des applications.

Figure 1a : Mesure de courant "high-side" générique
Dans le cas idéal, le circuit de mesure de courant "highside" est suffisamment souple pour permettre d’alimenter le circuit directement à partir du rail d’alimentation contrôlé, ou de l’alimenter à partir d’une alimentation indépendante qui peut être contrôlée séparément. Une autre caractéristique intéressante est la possibilité d’alimenter le circuit à partir de l’une des deux polarités de la résistance de mesure au choix, ce qui permet d’inclure le courant consommé par le circuit avec le courant contrôlé ou de l’exclure.
Contrairement à la mesure de courant "high-side", la mesure de courant "low-side" (ou mesure sur le pôle négatif) consiste à placer la résistance de mesure sur le chemin de retour de la charge vers la terre (voir figure 1b) ; la tension de mode commun se retrouve ainsi près de la terre et la sortie peut être référencée par rapport à la terre. L’inconvénient de la mesure low-side est qu’un défaut de court-circuit à la charge ne sera pas détecté et que la charge est donc "surélevée" par rapport à la terre vraie par la chute de tension dans la résistance de mesure.

Figure 1b : Mesure de courant "low-side" générique Solutions alternatives avec amplificateurs à base de circuits intégrés.
Bien que des réalisations à l’échelle du simple transistor discret constituent toujours une option dans les applications spatiales, les performances améliorées, les caractéristiques plus intéressantes et le format plus compact des solutions à base de circuits intégrés les rendent plus attrayantes. Naturellement, il existe toujours des compromis en termes de résistance aux rayonnements, modes de défaillance et héritage des missions précédentes, à prendre en considération.
La mesure de courant peut être effectuée à l’aide de plusieurs types d’amplificateurs à base de circuits intégrés : Pour les applications de mesure de courant, les ampliops classiques sont mieux adaptés à la mesure de courant "low-side", à cause de leur plage de tension de mode commun réduite. Leur gain en boucle ouverte élevé nécessite une rétroaction (voir figure 2a) et restreint donc leur usage pour les signaux d’entrée asymétriques. Cependant, ces dernières années, de nouveaux produits avec tensions d’entrée de mode commun élevées, tels que le LT6016, se sont révélés adaptés à la mesure de courant "highside".

Figure 2a. Mesure de courant "low-side" conventionnelle avec un ampli-op classique.
Les amplificateurs différentiels sont utilisés quand une mesure de courant bidirectionnelle est nécessaire dans certaines applications, telles que la commande de moteur, et ils présentent une large plage d’entrée de mode commun qui peut excéder largement la tension d’alimentation du dispositif. Les amplificateurs différentiels comprennent des résistances de précision ajustées au laser qui les limitent à des rapports de gain fixes prédéfinis.
Les amplificateurs d’instrumentation peuvent être considérés comme un amplificateur différentiel avec un étage préamplificateur (voir figure 2b) qui offre une plus grande flexibilité, avec un gain variable fixé par une résistance externe. Le préamplificateur présente une impédance d’entrée très élevée qui minimise la charge sur le bus d’alimentation, et rend possible la mesure de courants de système plus faibles qu’avec un amplificateur différentiel. Un inconvénient est que la tension de mode commun est normalement limitée à la tension d’alimentation.

Figure 2b : Mesure de courant à l’aide d’un amplificateur d’instrumentation
Les amplificateurs sans dérive du zéro ("zero-drift") ou hacheur à stabilisation ("chopper-stabilized") présentent la tension de décalage à l’entrée la plus faible. Le LTC2050, par exemple, spécifié à 3μV, permet une mesure de courant de très haute précision. Mais avec un fonctionnement limité à 6V, il est mieux adapté aux applications de mesure de courant "low-side".
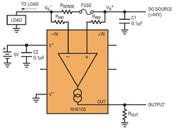
Les amplificateurs de mesure de courant présentent un ensemble de fonctionnalités optimisé et des caractéristiques adaptées à cette fonction. Ceci permet de gagner du temps sur la conception et se présente comme une solution polyvalente pour différentes applications de mesure de courant. Le RH6105 est un exemple d’amplificateur de mesure de courant. C’est une version résistante aux effets du rayonnement et homologuée MIL-PRF-38535 classe V du LT6105.
Le RH6105 présente une topologie d’entrée unique qui permet de l’utiliser dans toute une diversité d’applications de mesure de courant y compris :
• Mesure de courant "high-side" ou "low-side"
• Pilote de charge inductive par quart de pont, demi-pont ou pont complet
• Surveillance de rail d’alimentation (rails positif et négatif)
• Surveillance de fusibles et de MOSFET
L’importance d’une tension de décalage en entrée faible a été déjà couverte dans cet article. Le RH6105 présente typiquement une tension de ±100μV à 25°C avant irradiation, ce qui facilite l’utilisation d’une résistance de mesure faible tout en permettant une bonne précision de mesure.
Le RH6105 a conservé les résistances externes traditionnelles pour fixer le gain, permettant ainsi au circuit de mesure de courant d’être optimisé pour la plage d’entrée d’un CAN situé en aval ou pour le seuil d’entrée spécifique d’un comparateur.

Figure 3 : Configuration classique avec un gain de 50 donnant une fonction de transfert de 1V/A.
La polyvalence du RH6105 vient de sa technologie d’entrée unique. La plage de tension de mode commun en entrée va de -0,3V à + 44V en ce qui concerne V-, indépendamment de la valeur de V+ utilisée pour polariser le dispositif. Le dispositif peut donc être alimenté par un rail d’alimentation de 5V, par exemple, et contrôler un bus d’alimentation de 28V. De plus, les entrées du dispositif conservent leur haute impédance même lorsque la tension de polarisation V+ est intentionnellement coupée, et représentent donc toujours une charge assez légère pour ne pas perturber le système, ce qui en fait le candidat idéal pour les applications de bus redondant ou de sûreté intégrée.

Figure 4 : Le RH6105 est capable de contrôler en présence d’un fusible ou d’un interrupteur entre ses entrées.
De plus, le RH6105 présente une plage de tension d’entrée différentielle de ±44V, qui lui donne la possibilité de contrôler une tension en présence d’un fusible ouvert ou d’un interrupteur comme indiqué figure 4. De même, si un court-circuit apparait au niveau de la charge, le dispositif ne sera pas endommagé et le courant sera limité à quelques milliampères.
Les besoins en matière de mesure de courant de précision dans les engins spatiaux sont croissants. La complexité des systèmes embarqués s’amplifie et il existe une large gamme de conceptions, se basant sur différentes classes de circuits intégrés amplificateurs, avec les forces et les faiblesses qui leur sont associées. Un amplificateur de mesure de courant spécialisé, tel que le RH6105, présente des performances améliorées et peut simplifier le travail de conception, avec son ensemble de caractéristiques adaptées aux exigences de conceptions hautement fiables pour lesquelles la sécurité est primordiale.