Par Werner Berns, Directeur du Centre de
conception d’applications Europe, National
Semiconductor, et Michele Sclocchi, Ingénieur
d’applications senior, Gestion d’alimentation
Europe, National Semiconductor
Les solutions PoE sont de plus en plus populaires
car les dispositifs PoE ne nécessitent
pas de blocs alimentation au mur et permettent
des coûts système globalement inférieurs.
En téléphonie IP (protocole Internet),
les onduleurs (UPS) garantissent une fiabilité plus élevée
et une sensibilité moindre aux pics de tension d’alimentation,
au vol, à l’interruption ou à la déconnexion.
En outre, l’usage universel du connecteur RJ45 assure
la compatibilité mondiale des dispositifs PoE. Enfin, les
dispositifs PoE offrent une souplesse de gestion supérieure
grâce à leurs possibilités de mise en route et de
coupure à distance.
Mode de fonctionnement de l’appareil
alimenté ( PD ) compatible avec la norme
IEEE
L’IEEE (Institute of Electrical and Electronic Engineers, ou Institut des ingénieurs électriciens et électroniciens) a approuvé la norme pour les produits PoE en juin 2003. La norme d’IEE802.3af garantit que l’alimentation fournie ne présente aucun risque ni pour l’appareil alimentant ni pour l’appareil alimenté ; que l’infrastructure de câblage soit préservée ; et que la présence de l’alimentation n’entraîne aucune dégradation de données. L’IEEE a normalisé l’utilisation d’une tension 48V continue fournie par deux des quatre paires torsadées d’un câble Ethernet Cat 5e standard. La puissance fournie est limitée selon quatre classes, de 4 watts à 15.4 watts maximum par port. Chaque appareil alimentant (PSE) effectue quelques mesures précises sur l’appareil alimenté (PD) pour garantir que celui-ci soit bien conforme à la norme. Si le PD est conforme, le PSE lui envoie l’alimentation 48V. Les principaux enjeux d’un design PoE bien optimisé sont notamment la complexité de la séquence de mise sous tension, typiquement absente des designs d’alimentations conventionnels, et l’optimisation de la conversion de puissance nécessaire.
Séquence de mise sous tension La séquence de mise sous tension doit respecter scrupuleusement un schéma bien spécifique. Le PSE (appareil alimentant) détecte la connexion du PD (appareil alimenté) en mesurant l’impédance du câble (signature). Si l’impédance est entre 23.75 kΩ et 26.25 kΩ, le PSE considère qu’un PD (appareil alimenté) est présent.

La Figure 1 montre les différentes phases de la séquence d’alimentation en détails
Interopérabilité
L’interface PoE du PD peut être implantée avec des composants
discrets ; cependant une solution intégrée externes
comme le LM5073 offre les avantages suivants :
Facilite le design du PD avec seulement quelques composants
Réduit le cycle de conception
Réduit la surface de la carte et optimise son implantation
Prouve l’Interopérabilité avec les PSE
L’une des limitations de PoE est le courant CC d’alimentation
maximum qui ne doit pas dépasser 350 mA CC
(la limite transitoire est de 400 mA). En termes d’alimentation
électrique, ceci limite la puissance à 12.95 watts
maximum (37V x 350 mA). Est également limitée, par
voie de conséquence, la puissance de sortie utilisable à
10W typiquement, dans le cas d’un rendement de
conversion CC-CC de 80%
Etant donné la sensibilité au coût de PoE, la topologie
"flyback" pour la conversion CC-CC est la solution la plus
courante, comme celle utilisée dans les anciens circuits
de National Semiconductor, les LM5070, LM5071, et
LM5072 (à contrôleur PWM intégré). Cependant, dans
certaines applications, la topologie flyback peut ne pas
convenir aux besoins d’optimisation du concepteur.

Défis de l’alimentation :
De nombreux concepteurs utilisant des solutions PoE ne sont pas forcément des experts en matière de conception d’alimentation, et peuvent préférer des solutions d’alimentation existantes. Selon la puissance, les applications, les contraintes et les priorités, la solution d’alimentation optimum peut varier, et une seule puce générique n’apporte en général pas assez de flexibilité, notamment parce qu’il s’agit le plus souvent d’une technologie flyback. Le tableau 1, page suivante, récapitule les principaux avantages de chaque topologie en fonction des besoins de conception.
Le LM5073 offre des fonctionnalités et des avantages décisifs
Le LM5073 est un contrôleur PoE haute tension disposant
de toutes les caractéristiques requises pour implémenter
un dispositif PoE. Il s’agit notamment des
impératifs de séquencement de mise sous tension et de
limitation d’insertion, combinés à une souplesse de choix
de la topologie CC-CC la mieux adaptée à un design particulier.
Il simplifie également la conception de PD non
isolé, en permettant l’utilisation de la famille bien connue
Simple Switcher® de National, qui n’a pas besoin de
transistor de puissance MOSFET externe.
Le LM5073 National dispose d’un certain nombre de
caractéristiques uniques qui facilitent la conception :
Offre une interface PD 100% conforme IEEE 802.3af,
Fournit une impédance de signature fixe, des seuils
UVLO programmables par l’utilisateur, une limite de
courant d’appel, et un courant de classification,
Supporte des tensions d’entrée jusqu’à 100V,
Protection contre les courants d’appel, limitation de
courant en cas de défaut, et coupure thermique,
Seuil et hystérésis UVLO : le concepteur peut programmer
le seuil et l’hystérésis UVLO indépendamment,
grâce à deux résistances externes,
Permet la configuration d’alimentation CC-CC isolée ou
non-isolée,
Le transistor MOSFET interne connectable à chaud peut
fournir un courant double des normes PoE existantes,
et permet ainsi des possibilités PoE+ applications de
puissance plus élevée (avec un PSE spécifique) dans le
futur,
Utilisation facile d’une alimentation auxiliaire avant ou
arrière, pouvant descendre à 9V continus.

Parmi les autres avantages :
Le LM5073 permet de choisir la meilleure topologie
appropriée de convertisseur CC-CC pour une application
donnée. Par exemple, il permet l’utilisation de régulateurs
National Simple Switcher (par exemple le LM5576)
pour une application non isolée, réduisant ainsi les coûts
; il permet le choix d’un contrôleur à verrouillage direct
LM5025/26 pour un design haute rendement ; etc.
Il dispose d’une fonction de protection contre les surtensions
(OVP) du convertisseur CC-CC, de telle sorte que
ce circuit 100V nominal peut être utilisé sans risque avec
un convertisseur CC-CC spécifié à 65V.

Le contrôle de coupure actif Haut/Bas fournit une interface
souple pour différents convertisseurs CC-CC.
Design typique de convertisseur CC-CC PoE non-isolé :
Une application non isolée typique du LM5073 est une
implantation "buck" (Abaisseur) utilisant les circuits bien
connus Simple Switcher de National.
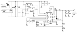
La Figure 4 montre une solution PoE 15W non isolée
typique, utilisant un montage en cascade avec le LM5073
auquel s’ajoute le LM5576, le régulateur nouvelle génération
à émulation de courant crête Simple Switcher.
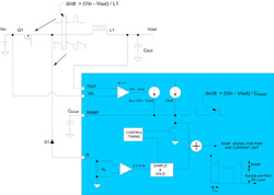
Le contrôle en mode courant crête émulé fournit un rapport
de conversion de tension exceptionnel, tout en
offrant un bon rendement, une fréquence de commutation
élevée, et un design de convertisseur buck simple.
La difficulté que pose la mesure précise du courant de
commutation dans les convertisseurs abaisseur hautefréquence,
peut être évitée grâce à une nouvelle
méthode qui émule le courant de commutation buck.
Le courant d’inducteur peut être reconstruit en mesurant
le courant à la fin du cycle de commutation dans la diode
roue libre, et en lui ajoutant une rampe proportionnelle
à la rampe de courant dans l’inducteur.
Pour émuler la partie rampe du courant d’inducteur, un
condensateur externe est chargé avec un courant
constant, proportionnel à la différence entre la tension
d’entrée et la tension de sortie. La rampe de tension
résultante aux bornes du condensateur est proportionnelle
au courant suivant la rampe dans l’inducteur luimême
Générateur de rampe de contrôle en mode courant
émulé, utilisé dans les nouveaux régulateurs National Simple
Switcher LM2557x et LM557x.
Le mode courant crête émulé offre tous les avantages intrinsèques d’un contrôleur en mode courant classique, sans le problème de susceptibilité au bruit souvent rencontré à cause du courant de recyclage inverse de diode, revenant sur le noeud de commutation, et des délais de propagation de mesure de courant, tout en offrant les très faibles temps passants nécessaires pour réguler des tensions de sortie faibles à partir de rails de tension élevée comme dans les applications PoE.
Design typique de convertisseur CC-CC
isolé pour alimentation PoE
La topologie la plus populaire et la plus évidente pour
les applications PoE est le convertisseur "flyback". La
topologie flyback constitue la solution la plus simple et
la moins chère pour une application isolée à sorties multiples
avec le meilleurs compromis entre coût et rendement,
pour des gammes de puissance allant de quelques
watts à 20 ou 30 watts.
Bien que les convertisseurs flyback de faible puissance
soient habituellement actionnés en mode conduction
discontinue (DCM), le meilleur rendement est obtenu en
mode conduction continue (CCM), où, pour une puissance
de sortie donnée, le courant efficace dans le FET
côté primaire est plus faible. Les deux arguments généralement
utilisés pour justifier le fonctionnement DCM
sont : un plus petit transformateur et le zéro du demiplan
droit de la fonction de transfert qui pose problème,
mais à une fréquence assez élevée pour pouvoir être
ignoré.
En outre, aux niveaux de puissance et à la gamme de
tensions d’entrée PoE, un calcul rapide montre que le
zéro du demi-plan droit se situe à une fréquence élevée
telle que cela ne pose pas de problème. Le zéro du demiplan
droit d’un convertisseur flyback en mode CCM est
à :
où Vin, D, Iin et L sont respectivement la tension d’entrée,
le rapport cyclique du FET côté primaire, le courant
d’entrée moyen, et l’inductance magnétisante du transformateur
d’alimentation. Une valeur raisonnable pour
L en mode CCM pour cette application est 100 μH. Avec
des valeurs Vin minimum = 26V, Iin maximum =
360mA, et D correspondant = 0.4, le zéro dur demi-plan
droit est toujours au delà de fz = 64kHz dans tous les
cas, ce qui a une incidence négligeable sur le design de
l’asservissement dans la plupart des applications PoE.
Le niveau d’intégration élevé des contrôleurs LM5070,
LM5071 et LM5072 améliore la conformité IEEE802.3af
avec un nombre minimum de composants externes. La
Figure 3 montre un circuit PoE typique à base de
LM5072, interface PD PoE 100V et contrôleur PWM intégré
à support auxiliaire de National Semiconductor. Le
LM5072 offre au PD la flexibilité d’accepter aussi des alimentations
auxiliaires, telles que des adaptateurs CA,
dans différentes configurations.
La structure de contrôleur en mode courant à PWM
rapide est préféré dans le cas de topologie flyback en
mode continu, avec l’avantage de contrôler et de limiter
le courant d’entrée, et de régler la tension de sortie avec
le même circuit. La réponse transitoire en courant et en
ligne se fait par variation du rapport cyclique du transistor d’alimentation.
(circuit typique d’application PoE à contrôleur LM5072)
Le rapport cyclique est déterminé à la fois par l’erreur de tension de sortie et le signal en dent de scie, générés à partir du courant primaire d’inducteur par la résistance de détection de courant externe. La limitation de courant cycle-à-cycle se fait comparant le signal de détection de courant à une tension de référence interne. Le problème d’instabilité inhérente dû aux harmoniques sur les facteurs d’utilisation de plus de 50% peut être évité grâce à une compensation interne du signal rampe de courant.
Conclusions Le LM5073 offre la flexibilité la plus élevée pour les designs d’applications PoE isolées ou non. Le mode flyback CCM est couramment utilisé pour les applications PoE si un isolement est nécessaire, ce qui offre un bon compromis entre rendement, complexité et coût de conception. La topologie buck est la plus appropriée quand l’isolement n’est pas nécessaire, car elle offre un bon compromis entre coût et performance. Références Power supply design for Power over Ethernet powered devices : en ligne sur le sit e http://www.national.com/onlineseminar/2004/poe/poe.html par Barry Signoretti, et Joe de Nicolas, ingénieurs d’applications et de développement, National Semiconductor. PoE powers Ethernet into new applications, par Martin Schiel, Future Electronics Europe Fiche technique et notes de conception LM5073